Product Summary
The LM324N is a low power quad op amp which consists of four independent, high-gain, internally frequency compensated operational amplifiers designed specifically to operate from a single power supply over a wide range of voltages. The unity gain crossover frequency and the input bias current are temperature-compensated.
Parametrics
LM324N absolute maximum ratings: (1)Supply voltage: 32 or ±16 VDC; (2)Differential input voltage: 32 VDC; (3)Input voltage: -0.3 to +32 VDC; (4)Maximum power dissipation,TA=25℃ (still-air): N package, 1420 mW; F package 1190 mW; D package 1040 mW; (5)Output short-circuit to GND one amplifier, VCC<15VDC and TA=25℃: Continuous; (6)Input current (VIN<-0.3V): 50 mA; (7)Operating ambient temperature range: 0 to +70℃; (8)Storage temperature range -65 to +150 ℃; (9)Lead soldering temperature (10sec max): 300℃.
Features
LM324N features: (1)Internally frequency-compensated for unity gain; (2)Large DC voltage gain: 100dB; (3)Wide bandwidth (unity gain): 1MHz (temperature-compensated); (4)Wide power supply range Single supply: 3VDC to 30VDC or dual supplies: ±1.5VDC to ±15VDC; (5)Very low supply current drain: essentially independent of supply voltage (1mW/op amp at +5VDC); (6)Low input biasing current: 45nADC (temperature-compensated); (7)Low input offset voltage: 2mVDC and offset current: 5nADC; (8)Differential input voltage range equal to the power supply voltage; (9)Large output voltage: 0VDC to VCC-1.5VDC swing.
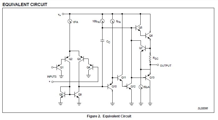
Diagrams

| Image | Part No | Mfg | Description | ![]() |
Pricing (USD) |
Quantity | ||||||||||||
|---|---|---|---|---|---|---|---|---|---|---|---|---|---|---|---|---|---|---|
![]() |
![]() LM324N |
![]() Texas Instruments |
![]() Operational Amplifiers - Op Amps Quad |
![]() Data Sheet |
![]()
|
|
||||||||||||
![]() |
![]() LM324N/NOPB |
![]() National Semiconductor (TI) |
![]() Operational Amplifiers - Op Amps LOW PWR QUAD OP AMP |
![]() Data Sheet |
![]()
|
|
||||||||||||
![]() |
![]() LM324N/PB |
![]() National Semiconductor (TI) |
![]() Operational Amplifiers - Op Amps QUAD OP AMP |
![]() Data Sheet |
![]()
|
|
||||||||||||
![]() |
![]() LM324NE3 |
![]() Texas Instruments |
![]() Operational Amplifiers - Op Amps Quad Op Amp |
![]() Data Sheet |
![]()
|
|
||||||||||||
![]() |
![]() LM324NE4 |
![]() Texas Instruments |
![]() Operational Amplifiers - Op Amps Quad General-Purpose Op Amp |
![]() Data Sheet |
![]()
|
|
||||||||||||
![]() |
![]() LM324NG |
![]() ON Semiconductor |
![]() Operational Amplifiers - Op Amps 3-32V Quad 5mV VIO Commercial Temp |
![]() Data Sheet |
![]()
|
|
||||||||||||
![]() |
![]() LM324NSR |
![]() Texas Instruments |
![]() Operational Amplifiers - Op Amps Quad General-Purpose Op Amp |
![]() Data Sheet |
![]()
|
|
||||||||||||
![]() |
![]() LM324NSRG4 |
![]() Texas Instruments |
![]() Operational Amplifiers - Op Amps Quad General-Purpose Op Amp |
![]() Data Sheet |
![]()
|
|
||||||||||||
(China (Mainland))









