Product Summary
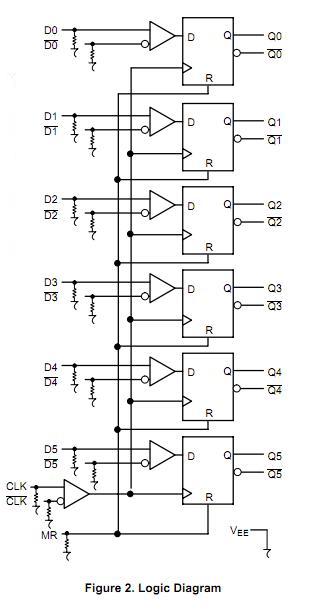
The MC100EP451FAG is a 6-bit fully differential register with common clock and single-ended Master Reset (MR). The MC100EP451FAG is ideal for very high frequency applications where a registered data path is necessary. All inputs have a 75 kΩ pulldown resistor internally. Differential inputs have an override clamp. Unused differential register inputs can be left open and will default LOW.
Parametrics
MC100EP451FAG absolute maximum ratings: (1)VCC, PECL Mode Power Supply: 6 V; (2)VEE, NECL Mode Power Supply: -6 V; (3)VI, PECL Mode Input Voltage: 6V; NECL Mode Input Voltage: -6V; (4)Iout, Output Current Continuous: 50mA; Surge: 100 mA; (5)TA, Operating Temperature Range: -40 to +85℃; (6)Tstg, Storage Temperature Range: -65 to +150℃; (7)θJA, Thermal Resistance (Junction to Ambient): 80℃/W; (8)θJC, Thermal Resistance (Junction to Case): 12 to 17℃/W; (9)Tsol, Wave Solder: 265℃.
Features
MC100EP451FAG features: (1)450 ps Typical Propagation Delay; (2)Maximum Frequency > 3.0 GHz Typical; (3)Asynchronous Master Reset; (4)20 ps Skew Within Device, 35 ps Skew Device-To-Device; (5)PECL Mode Operating Range: VCC = 3.0 V to 5.5 V With VEE = 0 V; (6)NECL Mode Operating Range: VCC = 0 V With VEE = 3.0 V to 5.5 V; (7)Open Input Default State; (8)Safety Clamp on Inputs; (9)Pb-Free Packages are Available.
Diagrams

| Image | Part No | Mfg | Description | ![]() |
Pricing (USD) |
Quantity | ||||||||||||
|---|---|---|---|---|---|---|---|---|---|---|---|---|---|---|---|---|---|---|
![]() |
![]() MC100EP451FAG |
![]() ON Semiconductor |
![]() Flip Flops 3.3V/5V ECL 6-Bit Diff w/Master Reset |
![]() Data Sheet |
![]()
|
|
||||||||||||
| Image | Part No | Mfg | Description | ![]() |
Pricing (USD) |
Quantity | ||||||||||||
![]() |
![]() MC10 |
![]() Other |
![]() |
![]() Data Sheet |
![]() Negotiable |
|
||||||||||||
![]() |
![]() MC100E016FN |
![]() ON Semiconductor |
![]() Counter Shift Registers 5V ECL 8-Bit Binary |
![]() Data Sheet |
![]() Negotiable |
|
||||||||||||
![]() |
![]() MC100E016FNG |
![]() ON Semiconductor |
![]() Counter Shift Registers 5V ECL 8-Bit Binary Up Synchronous |
![]() Data Sheet |
![]()
|
|
||||||||||||
![]() |
![]() MC100E016FNR2G |
![]() ON Semiconductor |
![]() Counter Shift Registers 5V ECL 8-Bit Binary Up Synchronous |
![]() Data Sheet |
![]()
|
|
||||||||||||
![]() |
![]() MC100E101FNR2G |
![]() |
![]() IC GATE OR/NOR QUAD 4INP 28-PLCC |
![]() Data Sheet |
![]()
|
|
||||||||||||
![]() |
![]() MC100E104. |
![]() Other |
![]() |
![]() Data Sheet |
![]() Negotiable |
|
||||||||||||
(China (Mainland))











