Product Summary
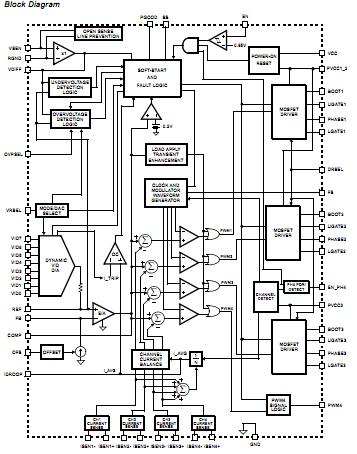
The ISL6312CRZ is a four-phase PWM control IC. The integration of power MOSFET drivers into the controller IC marks a departure from the separate PWM controller and driver configuration of previous multiphase product families. By reducing the number of external parts, this integration is optimized for a cost and space saving power management solution. The ISL6312CRZ provides a precision voltage regulation system for advanced microprocessors.
Parametrics
ISL6312CRZ absolute maximum ratings: (1)Supply Voltage, VCC: -0.3V to +6V; (2)Supply Voltage, PVCC: -0.3V to +15V; (3)BOOT Voltage, VBOOT: GND - 0.3V to GND + 36V; (4)BOOT to PHASE Voltage, VBOOT-PHASE: -0.3V to 15V (DC) -0.3V to 16V (<10ns, 10μJ); (5)PHASE Voltage, VPHASE: GND - 0.3V to 15V (PVCC = 12), GND - 8V (<400ns, 20μJ) to 24V (<200ns, VBOOT-PHASE = 12V); (6)UGATE Voltage, VUGATE: VPHASE - 0.3V to VBOOT + 0.3V, VPHASE - 3.5V (<100ns Pulse Width, 2μJ) to VBOOT + 0.3V; (7)LGATE Voltage, VLGATE: GND - 0.3V to PVCC + 0.3V, GND - 5V (<100ns Pulse Width, 2μJ) to PVCC+ 0.3V; (8)Input, Output, or I/O Voltage: GND - 0.3V to VCC + 0.3V.
Features
ISL6312CRZ features: (1)Integrated Multiphase Power Conversion: 2 or 3-Phase Operation with Internal Drivers; 4-Phase Operation with External PWM Driver Signal; (2)Precision Core Voltage Regulation: Differential Remote Voltage Sensing; ±0.5% System Accuracy Over Temperature; Adjustable Reference-Voltage Offset; (3)Optimal Transient Response: Active Pulse Positioning (APP) Modulation; Adaptive Phase Alignment (APA); (4)Fully Differential, Continuous DCR Current Sensing: Accurate Load Line Programming; Precision Channel Current Balancing; (5)User Selectable Adaptive Dead Time Scheme: PHASE Detect or LGATE Detect for Application Flexibility; (6)Variable Gate Drive Bias: 5V to 12V; (7)Multi-Processor Compatible: Intel VR10 and VR11 Modes of Operation; AMD Mode of Operation; (8)Microprocessor Voltage Identification Inputs: 8-bit DAC; Selectable between Intel’s Extended VR10, VR11, AMD 5-bit, and AMD 6-bit DAC Tables; Dynamic VID Technology; (9)Overcurrent Protection; (10)Multi-Tiered Overvoltage Protection; (11)Digital Soft-Start; (12)Selectable Operation Frequency up to 1.5MHz Per Phase; (13)Pb-Free Plus Anneal Available (RoHS Compliant).
Diagrams

| Image | Part No | Mfg | Description | ![]() |
Pricing (USD) |
Quantity | ||||||||||
|---|---|---|---|---|---|---|---|---|---|---|---|---|---|---|---|---|
![]() |
![]() ISL6312CRZ |
![]() |
![]() IC CTRLR PWM 4PHASE BUCK 48-QFN |
![]() Data Sheet |
![]()
|
|
||||||||||
![]() |
![]() ISL6312CRZ-T |
![]() |
![]() IC CTRLR PWM 4PHASE BUCK 48-QFN |
![]() Data Sheet |
![]()
|
|
||||||||||
![]() |
![]() ISL6312CRZ-TK |
![]() |
![]() IC CTRLR PWM 4PHASE BUCK 48-QFN |
![]() Data Sheet |
![]()
|
|
||||||||||
![]() |
![]() ISL6312CRZ-TR5312 |
![]() |
![]() IC CTRLR PWM 4PHASE BUCK 48-QFN |
![]() Data Sheet |
![]() Negotiable |
|
||||||||||
(China (Mainland))









