Product Summary
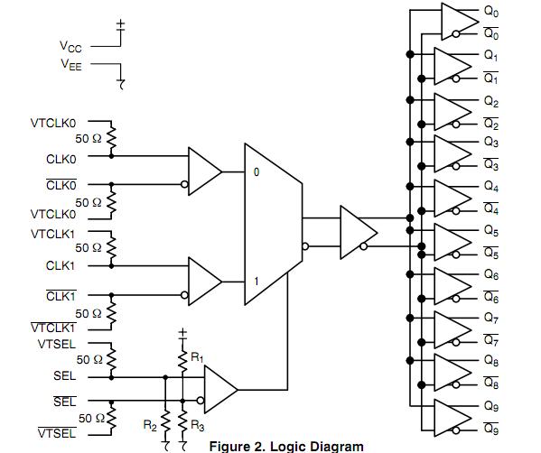
The NB7L111MMNG is a low skew 1–to–10 differential clock/data driver, designed with clock/data distribution in mind. It accepts two clock/data sources into multiplexer input and reproduces ten identical CML differential outputs. This device NB7L111MMNG is ideal for clock/data distribution across the backplane or a board, and redundant clock switchover applications.
Parametrics
NB7L111MMNG absolute maximum ratings: (1)VCC, Positive Power Supply: 3.6 V; (2)VI, Input Voltage: 3.6 V; (3)VINPP, Differential Input Voltage: 2.8V; (4)Iin, Input Current Through RT: 25mA; (5)Iout, Output Current Continuous: 25mA; Surge: 50mA; (6)TA, Operating Temperature Range: -40 to +85℃; (7)Tstg, Storage Temperature Range: -65 to +150℃; (8)θJA, Thermal Resistance: 25℃/W; (9)θJC, Thermal Resistance: 21℃/W; (10)Tsol, Wave Solder: 265℃.
Features
NB7L111MMNG features: (1)Maximum Input Clock Frequency > 5.5 GHz Typical; (2)Maximum Input Data Rate > 6.125 Gb/s Typical; (3)< 0.5 ps Maximum Clock RMS Jitter; (4)< 15 ps Maximum Data Dependent Jitter at 3.125 Gb/s; (5)50 ps Typical Rise and Fall Times; (6)240 ps Typical Propagation Delay; (7)2 ps Typical Duty Cycle Skew; (8)10 ps Typical Within Device Skew; (9)15 ps Typical Device-to-Device Skew; (10)Operating Range: VCC = 2.5 V ±5 and 3.3 V ±5; (11)400 mV Differential CML Output Swing; (12)50 Ω Internal Input and Output Termination Resistors; (13)Pb-Free Packages are Available.
Diagrams

| Image | Part No | Mfg | Description | ![]() |
Pricing (USD) |
Quantity | ||||||||||||
|---|---|---|---|---|---|---|---|---|---|---|---|---|---|---|---|---|---|---|
![]() |
![]() NB7L111MMNG |
![]() ON Semiconductor |
![]() Clock Drivers & Distribution 2.5V/3.3V 6.125Gb/s 1:10 Clk/Data Driver |
![]() Data Sheet |
![]()
|
|
||||||||||||
| Image | Part No | Mfg | Description | ![]() |
Pricing (USD) |
Quantity | ||||||||||||
![]() |
![]() NB7L1008MMNG |
![]() ON Semiconductor |
![]() Clock Buffer 2.5/3.3V, 1:8 CML Fanout |
![]() Data Sheet |
![]()
|
|
||||||||||||
![]() |
![]() NB7L1008MMNR4G |
![]() ON Semiconductor |
![]() Clock Buffer TSMC 1:8 F/O MLL-CML |
![]() Data Sheet |
![]()
|
|
||||||||||||
![]() |
![]() NB7L111MMN |
![]() ON Semiconductor |
![]() Clock Drivers & Distribution 2.5V/3.3V 6.125Gb/s |
![]() Data Sheet |
![]() Negotiable |
|
||||||||||||
![]() |
![]() NB7L111MMNG |
![]() ON Semiconductor |
![]() Clock Drivers & Distribution 2.5V/3.3V 6.125Gb/s 1:10 Clk/Data Driver |
![]() Data Sheet |
![]()
|
|
||||||||||||
![]() |
![]() NB7L111MMNR2 |
![]() ON Semiconductor |
![]() Clock Drivers & Distribution 2.5V/3.3V 6.125Gb/s |
![]() Data Sheet |
![]() Negotiable |
|
||||||||||||
![]() |
![]() NB7L111MMNR2G |
![]() ON Semiconductor |
![]() Clock Drivers & Distribution 2.5V/3.3V 6.125Gb/s 1:10 Clk/Data Driver |
![]() Data Sheet |
![]()
|
|
||||||||||||
(China (Mainland))









