Product Summary
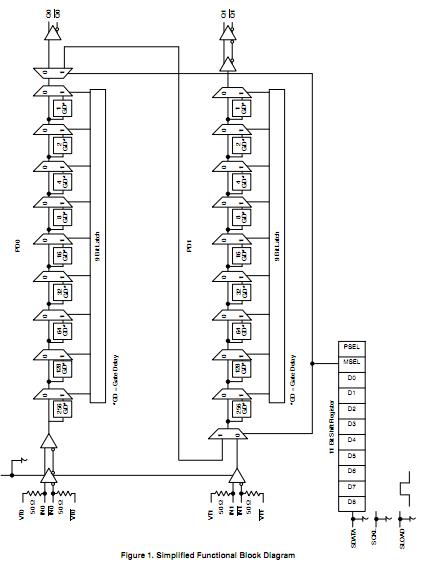
The NB6L295MMNTXG is a Dual Channel Programmable Delay Chip designed primarily for Clock or Data de−skewing and timing adjustment. The NB6L295MMNTXG is versatile in that two individual variable delay channels, PD0 and PD1, can be configured in one of two operating modes, a Dual Delay or an Extended Delay.
Parametrics
NB6L295MMNTXG absolute maximum ratings: (1)VCC, VCC0, VCC1, Positive Power Supply: 4.0 V; (2)VIO, Positive Input/Output Voltage: 4.5 V; (3)VINPP, Differential Input Voltage: VCC - GND V; (4)IIN, Input Current Through RT: ±50 mA; (5)IOUT, Output Current Through RT: ±50 mA; (6)TA, Operating Temperature Range: -40 to +85℃; (7)Tstg, Storage Temperature Range: -65 to +150℃; (8)θJA, Thermal Resistance: 37℃/W; (9)θJC, Thermal Resistance: 11℃/W; (10)Tsol, Wave Solder: 265℃.
Features
NB6L295MMNTXG features: (1) Input Clock Frequency > 1.5 GHz with 210 mV VOUTPP; (2)Input Data Rate > 2.5 Gb/s; (3)Programmable Delay Range: 0 ns to 6 ns per Delay Channel; (4)Programmable Delay Range: 0 ns to 11.2 ns for Extended Delay Mode; (5)Total Delay Range: 3.2 ns to 8.5 ns per Delay Channel; (6)Total Delay Range: 6.2 ns to 16.6 ns in Extended Delay Mode; (7)Monotonic Delay: 11 ps Increments in 511 Steps; (8)Linearity 20 ps, Maximum; (9)100 ps Typical Rise and Fall Times; (10)2.4 ps Typical Clock Jitter, RMS; (11)20 ps Pk?Pk Typical Data Dependent Jitter; (12)LVPECL, CML or LVDS Differential Input Compatible; (13)LVPECL, LVCMOS, LVTTL Single Ended Input Compatible; (14)3?Wire Serial Interface; (15)Input Enable/Disable; (16)Operating Range: VCC = 2.375 V to 3.6 V; (17)CML Output Level; 380 mV Peak-to-Peak, Typical; (18)Internal 50 Ω Input/Output Termination Provided; (19)-40 to 85℃ Ambient Operating Temperature; (20)24-Pin QFN, 4 mm × 4 mm; (21)These are Pb?Free Devices.
Diagrams

| Image | Part No | Mfg | Description | ![]() |
Pricing (USD) |
Quantity | ||||||||||||
|---|---|---|---|---|---|---|---|---|---|---|---|---|---|---|---|---|---|---|
![]() |
![]() NB6L295MMNTXG |
![]() ON Semiconductor |
![]() Delay Lines / Timing Elements CML DUAL PROG DELAY |
![]() Data Sheet |
![]()
|
|
||||||||||||
| Image | Part No | Mfg | Description | ![]() |
Pricing (USD) |
Quantity | ||||||||||||
![]() |
![]() NB6L11 |
![]() Other |
![]() |
![]() Data Sheet |
![]() Negotiable |
|
||||||||||||
![]() |
![]() NB6L11D |
![]() ON Semiconductor |
![]() Clock Buffer 2.5V/3.3V Multilevel |
![]() Data Sheet |
![]() Negotiable |
|
||||||||||||
![]() |
![]() NB6L11DG |
![]() ON Semiconductor |
![]() Clock Buffer 2.5V/3.3V Multilevel 1:2 Clock / Fanout |
![]() Data Sheet |
![]()
|
|
||||||||||||
![]() |
![]() NB6L11DR2 |
![]() ON Semiconductor |
![]() Clock Buffer 2.5V/3.3V Multilevel |
![]() Data Sheet |
![]() Negotiable |
|
||||||||||||
![]() |
![]() NB6L11DR2G |
![]() ON Semiconductor |
![]() Clock Buffer 2.5V/3.3V Multilevel 1:2 Clock / Fanout |
![]() Data Sheet |
![]()
|
|
||||||||||||
![]() |
![]() NB6L11DT |
![]() ON Semiconductor |
![]() Clock Buffer 2.5V/3.3V Multilevel |
![]() Data Sheet |
![]() Negotiable |
|
||||||||||||
(China (Mainland))










